9.4.4 Alignment Mark for bumping process¶
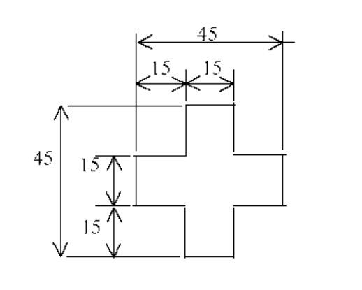
Following diagram shows the alignment mark to be drawn in top metal for the flip chip process. For exact location and size conformation respective assembly house shall be consulted.
Following diagram shows the alignment mark to be drawn in top metal for the flip chip process. For exact location and size conformation respective assembly house shall be consulted.