10.10 OTP_MK Mark Layer¶
This layer is used to mark 3.3V OTP cells. OTP cells with this marking layer should follow below specific rules which is different from 3.3V/(5V)6V rules.
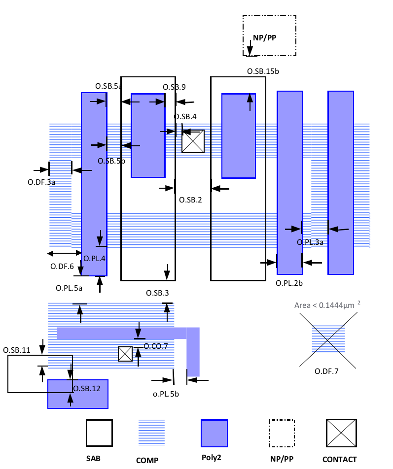
RULE NO.  | 
DESCRIPTION  | 
LAYOUT RULE  | 
|
3.3V OTP  | 
5V OTP (1)  | 
||
O.DF.3a  | 
Min. COMP Space. P-substrate tap (PCOMP outside NWELL) can be butted for different voltage devices as the potential is same  | 
0.24  | 
0.24  | 
O.DF.6  | 
Min. COMP extend beyond poly2 (it also means source/drain overhang)  | 
0.22  | 
0.22  | 
O.DF.9  | 
Min. COMP area (um2)  | 
0.1444  | 
0.1444  | 
O.PL.2  | 
Min. poly2 width  | 
0.22  | 
0.22  | 
O.PL.3a  | 
Min. poly2 Space on COMP  | 
0.18  | 
0.18  | 
O.PL.4  | 
Min. extension beyond COMP to form Poly2 end cap  | 
0.14  | 
0.14  | 
*O.PL.5a  | 
Min. space from field Poly2 to unrelated COMP. Min. space from field Poly2 to Guard-ring.  | 
0  | 
0  | 
*O.PL.5b  | 
Min. space from field Poly2 to related COMP  | 
0  | 
0  | 
O.SB.2  | 
Min. salicide Block Space  | 
0.28  | 
0.28  | 
O.SB.3  | 
Min. space from salicide block to unrelated COMP  | 
0.09  | 
0.09  | 
O.SB.4  | 
Min. space from salicide block to contact  | 
0.03  | 
0.03  | 
*O.SB.5a  | 
Min. space from salicide block to unrelated Poly2 on field  | 
0  | 
0  | 
O.SB.5b  | 
Min. space from salicide block to unrelated Poly2 on COMP  | 
0.1  | 
0*  | 
O.SB.9  | 
Min. salicide block extension beyond unsalicided Poly2  | 
0.1  | 
0.1  | 
O.SB.11  | 
Min. salicide block overlap with COMP  | 
0.04  | 
0.04  | 
*O.SB.12  | 
Min. salicide block overlap with Poly2  | 
0  | 
0  | 
O.SB.13  | 
Min. area of silicide block (um2)  | 
1.488  | 
2  | 
*O.SB.15b  | 
Min. space from unsalicided Poly2 to unrelated Nplus/Pplus along Poly2 Line  | 
0  | 
0  | 
O.CO.7  | 
Min. space from COMP contact to Poly2 on COMP  | 
0.13  | 
0.13  | 
O.PL.ORT  | 
Orientation-restricted gates must have the gate width aligned along the X-axis (poly line running horizontally) in reference to wafer notch down  | 
DRC  | 
NA  | 
Note
* Rules allowed minimum overlap and spacing are 0, so DRC deck will not check those rules 1. Rule of 5V OTP is set by utilizing “V5_XTOR” and “OTP_MK” marking layer