7.6 Dualgate

This layer defines the 5V/6V area. All 5V/6V device area should be covered by this layer.

Dualgate RULES

RULE NO.

DESCRIPTION

LAYOUT RULE

Layer

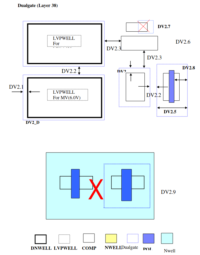
DV = Dual Voltage = Dualgate

DV.1

Min. Dualgate enclose DNWELL

0.5

DV.2

Min. Dualgate Space. Merge if Space is less than this design rule.

0.44

DV.3

Min. Dualgate to COMP space [unrelated]

0.24

DV.4*

Circuits covered by Dualgate layer will have 5V/6V gate oxide for 5V/6V operation.

Rules specific to 3.3V/(5V)6V Dualgate outside DNWELL:

RULE NO.

DESCRIPTION

LAYOUT RULE

DV.5

Min. Dualgate width

0.7

DV.6

Min. Dualgate enclose COMP (except substrate tap)

0.24

DV.7

COMP (except substrate tap) can not be partially overlapped by Dualgate

DV.8

Min Dualgate enclose Poly2

0.4

DV.9

3.3V and 5V/6V PMOS cannot be sitting inside same NWELL

Note

* Appendix B: Rules not coded

* This rule can be detected by ERC, not by DRC

Dualgate