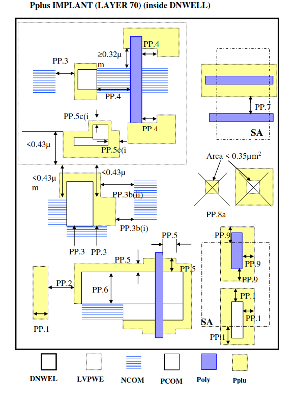
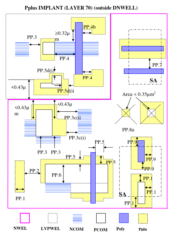
7.9 Pplus¶
RULE NO.  | 
DESCRIPTION  | 
LAYOUT RULE  | 
Layer  | 
PP = Nplus Implant  | 
|
PP.1  | 
Width  | 
0.4  | 
PP.2  | 
Space  | 
0.4  | 
PP.3a  | 
Space to NCOMP for NCOMP (1) inside LVPWELL (2) outside NWELL and DNWELL  | 
0.16  | 
PP.3b  | 
Space to NCOMP: For Inside DNWELL. I) NCOMP space to LVPWELL >= 0.43μm II) NCOMP space to LVPWELL< 0.43μm  | 
0.08 0.16  | 
PP.3c  | 
Space to NCOMP: For Outside DNWELL, inside Nwell: I) NWELL Overlap of NCOMP >= 0.43μm II) NWELL Overlap of NCOMP < 0.43μm  | 
0.08 0.16  | 
PP.3d  | 
Min/max space to a butted NCOMP  | 
0  | 
PP.3e  | 
Space to NCOMP edge adjacent to a butting edge  | 
0  | 
PP.4a  | 
Space related to N-channel gate at a butting edge parallel to gate  | 
0.32  | 
PP.4b  | 
Within 0.32μm of channel, space to N-channel gate extension perpendicular to the direction of Poly2  | 
0.22  | 
PP.5a  | 
Overlap of P-channel gate  | 
0.23  | 
PP.5b  | 
Extension beyond COMP for COMP (1) Inside NWELL (2) outside LVPWELL but inside DNWELL.  | 
0.16  | 
PP.5c  | 
Extension beyond COMP: For Inside DNWELL, inside LVPWELL: I) For LVPWELL overlap of Pplus >= 0.43μm for LVPWELL tap II) For LVPWELL overlap of Pplus < 0.43um for the LVPWELL tap  | 
0.02 0.16  | 
PP.5d  | 
Extension beyond COMP: For Outside DNWELL I) For Pplus to NWELL space >= 0.43μm for Pfield or LVPWELL tap II) For Pplus to NWELL space < 0.43μm for Pfield or LVPWELL tap  | 
0.02 0.16  | 
PP.6  | 
Overlap with PCOMP butted to NCOMP  | 
0.22  | 
PP.7  | 
Space to unrelated unsalicided Poly2  | 
0.18  | 
PP.8a  | 
Minimum Pplus area  | 
0.35 μm2  | 
PP.8b  | 
Minimum area enclosed by Pplus  | 
0.35 μm2  | 
PP.9  | 
Overlap of unsalicided Poly2  | 
0.18  | 
PP.10  | 
Overlap of unsalicided COMP  | 
0.18  | 
PP.11  | 
Butting Pplus and NCOMP is forbidden within 0.43μm of Nwell edge (for outside DNWELL) and of LVPWELL edge (for inside DNWELL case).  | 
|
PP.12  | 
Overlap with N-channel Poly2 gate extension is forbidden within 0.32μm of N-channel gate  |