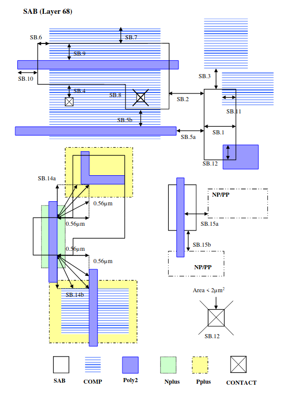
7.10 Salicide Block (SAB)¶
RULE NO.  | 
DESCRIPTION  | 
LAYOUT RULE  | 
Layer  | 
SB = Salicide Block  | 
|
SB.1  | 
Width  | 
0.42  | 
SB.2  | 
Space  | 
0.42  | 
SB.3  | 
Space from salicide block to unrelated COMP  | 
0.22  | 
SB.4  | 
Space from salicide block to contact  | 
0.15  | 
SB.5a  | 
Space from salicide block to unrelated Poly2 on field  | 
0.3  | 
SB.5b  | 
Space from salicide block to unrelated Poly2 on COMP  | 
0.28  | 
SB.6  | 
Salicide block extension beyond related COMP  | 
0.22  | 
SB.7  | 
COMP extension beyond related salicide block  | 
0.22  | 
SB.8  | 
Non-salicided contacts are forbidden  | 
|
SB.9  | 
Salicide block extension beyond unsalicided Poly2  | 
0.22  | 
SB.10  | 
Poly2 extension beyond related salicide block  | 
0.22  | 
SB.11  | 
Overlap with COMP  | 
0.22  | 
SB.12  | 
Overlap with Poly2 outside ESD_MK  | 
0.22  | 
SB.13  | 
Min. area  | 
2.0 μm2  | 
SB.14a  | 
Space from unsalicided Nplus Poly2 to unsalicided Pplus Poly2 (Unsalicided Nplus Poly2 must not fall within a square of 0.56μm x 0.56μm at unsalicided Pplus Poly2 corners)  | 
0.56  | 
SB.14b  | 
Space from unsalicided Nplus Poly2 to P-channel gate (Unsalicided Nplus Poly2 must not fall within a square of 0.56μm x 0.56μm at P-channel gate corners)  | 
0.56  | 
SB.15a  | 
Space from unsalicided Poly2 to unrelated Nplus/Pplus  | 
0.18  | 
SB.15b  | 
Space from unsalicided Poly2 to unrelated Nplus/Pplus along Poly2 line  | 
0.32  | 
SB.16  | 
SAB layer cannot exist on 3.3V and 5V/6V CMOS transistors’ Poly and COMP area of the core circuit (Excluding the transistors used for ESD purpose). It can only exist on CMOS transistors marked by LVS_IO, OTP_MK, ESD_MK layers.  |