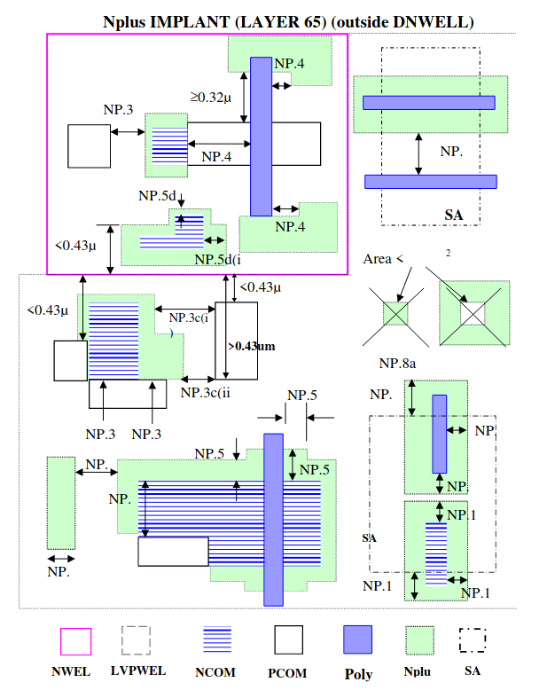
7.8 Nplus¶
RULE NO.  | 
DESCRIPTION  | 
LAYOUT RULE  | 
Layer  | 
NP = Nplus Implant  | 
|
NP.1  | 
Width  | 
0.4  | 
NP.2  | 
Space  | 
0.4  | 
NP.3a  | 
Space to PCOMP for PCOMP: (1) Inside Nwell (2) Outside LVPWELL but inside DNWELL  | 
0.16  | 
NP.3b  | 
Space to PCOMP: For Inside DNWELL, inside LVPWELL: I) For PCOMP overlap by LVPWELL < 0.43μm II) For PCOMP overlap by LVPWELL >= 0.43μm  | 
0.16 0.08  | 
NP.3c  | 
Space to PCOMP: For Outside DNWELL: I) For PCOMP space to Nwell < 0.43μm II) For PCOMP space to Nwell >= 0.43μm  | 
0.16 0.08  | 
NP.3d  | 
Min/max space to a butted PCOMP  | 
0  | 
NP.3e  | 
Space to related PCOMP edge adjacent to a butting edge  | 
0  | 
NP.4a  | 
Space to related P-channel gate at a butting edge parallel to gate  | 
0.32  | 
NP.4b  | 
Within 0.32μm of channel, space to P-channel gate extension perpendicular to the direction of Poly2  | 
0.22  | 
NP.5a  | 
Overlap of N-channel gate  | 
0.23  | 
NP.5b  | 
Extension beyond COMP for the COMP (1) inside LVPWELL (2) outside Nwell and DNWELL  | 
0.16  | 
NP.5c  | 
Extension beyond COMP: For Inside DNWELL: I) For Nplus < 0.43μm from LVPWELL edge for Nwell or DNWELL tap inside DNWELL II) For Nplus >= 0.43μm from LVPWELL edge for Nwell or DNWELL tap inside DNWELL  | 
0.16 0.02  | 
NP.5d  | 
Extension beyond COMP: For Outside DNWELL, inside Nwell: I) For Nwell overlap of Nplus < 0.43μm II) For Nwell overlap of Nplus >= 0.43μm  | 
0.16 0.02  | 
NP.6  | 
Overlap with NCOMP butted to PCOMP  | 
0.22  | 
NP.7  | 
Space to unrelated unsalicided Poly2  | 
0.18  | 
NP.8a  | 
Minimum Nplus area  | 
0.35 μm2  | 
NP.8b  | 
Minimum area enclosed by Nplus  | 
0.35 μm2  | 
NP.9  | 
Overlap of unsalicided Poly2  | 
0.18  | 
NP.10  | 
Overlap of unsalicided COMP  | 
0.18  | 
NP.11  | 
Butting Nplus and PCOMP is forbidden within 0.43μm of Nwell edge (for outside DNWELL) and of LVPWELL edge (for inside DNWELL case).  | 
|
NP.12  | 
Overlap with P-channel poly2 gate extension is forbidden within 0.32μm of P-channel gate  |