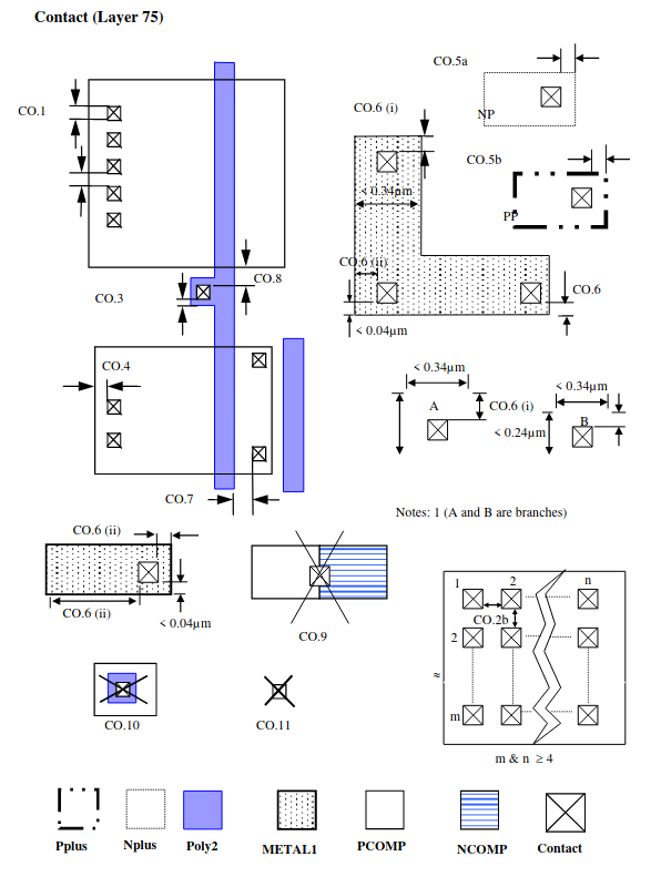
7.12 Contact¶
RULE NO.  | 
DESCRIPTION  | 
LAYOUT RULE  | 
Layer  | 
CO = Contact  | 
|
CO.1  | 
Min/max contact size  | 
0.22  | 
CO.2a  | 
Space  | 
0.25  | 
CO.2b  | 
Space in 4x4 or larger contact array  | 
0.28  | 
CO.3  | 
Poly2 overlap of contact  | 
0.07  | 
CO.4  | 
COMP overlap of contact  | 
0.07  | 
CO.5a  | 
Nplus overlap of contact on COMP (Only for contacts to butted Nplus and Pplus COMP areas)  | 
0.1  | 
CO.5b  | 
Pplus overlap of contact on COMP (Only for contacts to butted Nplus and Pplus COMP areas)  | 
0.1  | 
CO.6  | 
Metal1 overlap of contact I) Metal1 (< 0.34μm) end-of-line overlap (1) II) If Metal1 overlaps contact by < 0.04μm on one side, adjacent metal1 edges overlap III) Minimum Metal1 overlap of contact on all sides for minimum contact resistance variation* (guideline)  | 
0.005 0.06 0.06 0.12  | 
CO.7  | 
Space from COMP contact to Poly2 on COMP  | 
0.15  | 
CO.8  | 
Space from Poly2 contact to COMP  | 
0.17  | 
CO.9  | 
Contact on NCOMP to PCOMP butting edge is forbidden (contact must not straddle butting edge)  | 
|
CO.10  | 
Contact on Poly2 gate over COMP is forbidden.  | 
|
CO.11  | 
Contact on field oxide is forbidden.  | 
Note
Note
Applies to all < 0.34μm wide metal lines, excluding metal branches shorter than 0.24μm.
For better yield and reliability try to avoid single contacts on any layer.