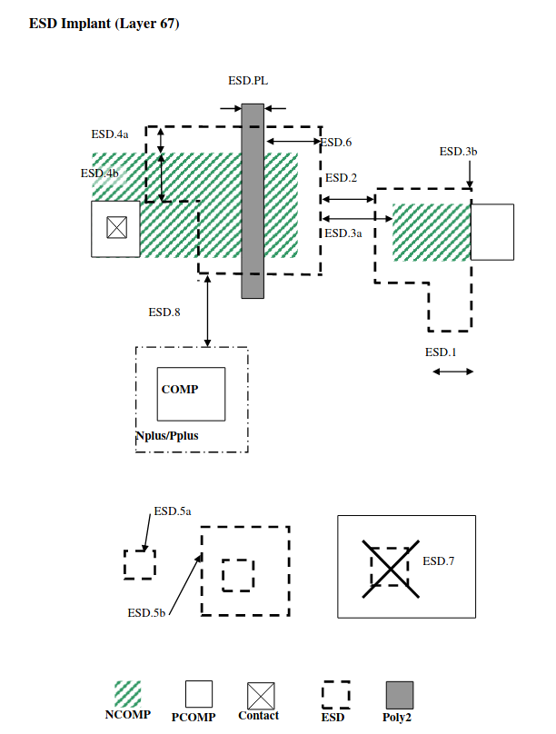
7.11 ESD Implant¶
This is optional for ESD performance improvement of 5V/6V I/O devices only.
RULE NO.  | 
DESCRIPTION  | 
LAYOUT RULE  | 
Layer  | 
ESD = ESD Implant  | 
|
ESD.1  | 
Minimum width of an ESD implant area  | 
0.6  | 
ESD.2  | 
Minimum space between two ESD implant areas (Merge if the space is less than 0.6um)  | 
0.6  | 
ESD.3a  | 
Minimum space to NCOMP  | 
0.6  | 
ESD.3b  | 
Min/max space to a butted PCOMP  | 
0  | 
ESD.4a  | 
Extension beyond NCOMP  | 
0.24  | 
ESD.4b  | 
Minimum overlap of an ESD implant edge to a COMP  | 
0.45  | 
ESD.5a  | 
Minimum ESD area  | 
0.49 μm2  | 
ESD.5b  | 
Minimum field area enclosed by ESD implant  | 
0.49 μm2  | 
ESD.6  | 
Extension perpendicular to Poly2 gate  | 
0.45  | 
ESD.7  | 
No ESD implant inside PCOMP  | 
|
ESD.8  | 
Minimum space to Nplus/Pplus  | 
0.3  | 
ESD.PL  | 
Minimum gate length of 5V/6V gate NMOS  | 
0.8  | 
ESD.9  | 
ESD implant layer must be overlapped by Dualgate layer (as ESD implant option is only for 5V/6V devices)  | 
|
ESD.10  | 
LVS_IO shall be drawn covering I/O MOS active area by minimum overlap  | 
0  |